返回
小知经验
网站首页
美食营养
游戏数码
手工爱好
生活家居
健康养生
运动户外
职场理财
情感交际
母婴教育
生活知识
生活百科
知识问答
更多知识
搜索
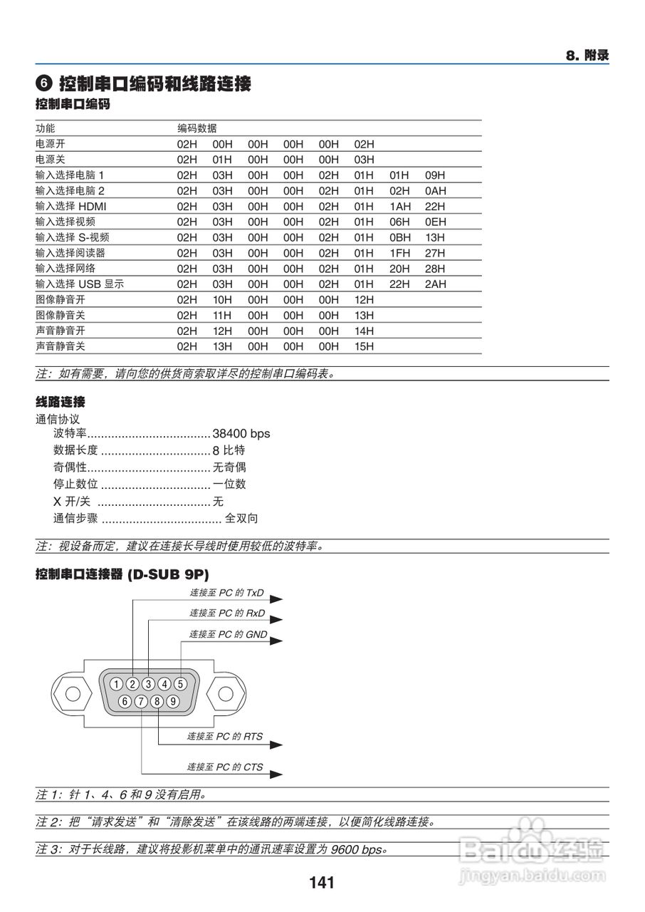
NEC NP-M350XS+投影机使用说明书:[16]
时间:2026-02-15 19:37:28
本篇为《NEC NP-M350XS+投影机使用说明书》,主要介绍该产品的使用方法以及常见故障解决方案。
(共篇)
上一篇:
NEC NP-M350XS+投影机使用说明书:[1]
公司住所变更需要提交的文件
M158报代码093-933
诺瓦LED显示屏控制系统使用手册
硬盘被认成CHS而不是LBA模式的修复
为你推荐:
对号怎么打
乙肝怎么治疗
微信朋友圈怎么发文字
怎么判断自己是低血糖
叙利亚为什么发生战争
a型血为什么叫贵族血
打印机共享怎么设置
南瓜饼怎么做好吃又简单
年糕怎么做好吃
梅菜扣肉的做法视频
© 2026 小知经验
信息来自网络 所有数据仅供参考
有疑问请联系站长 site.kefu@gmail.com