网站首页 美食营养 游戏数码 手工爱好 生活家居 健康养生 运动户外 职场理财 情感交际 母婴教育 生活知识 知识问答

紫光DCAP-3014同步电动机监控保护装置使用说明书:[3]

时间:2024-10-14 08:05:03

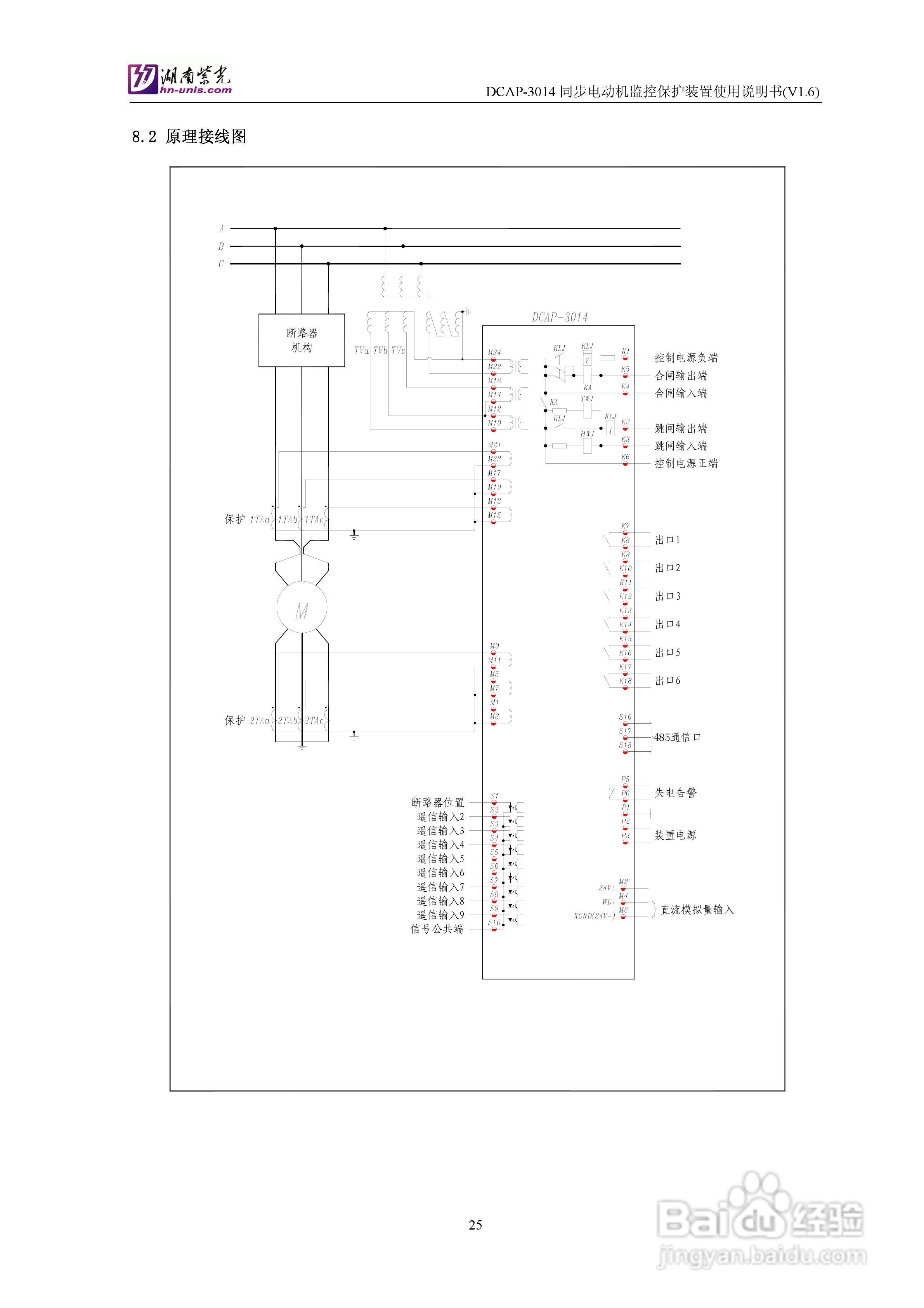
本篇为《紫光DCAP颍骈城茇-3014同步电动机监控保护装置使用说明书》,主要介绍该产品的使用方法以及常见故障解决方案。

紫光DCAP-3014同步电动机监控保护装置使用说明书:[3]

紫光DCAP-3014同步电动机监控保护装置使用说明书:[3]

紫光DCAP-3014同步电动机监控保护装置使用说明书:[3]

紫光DCAP-3014同步电动机监控保护装置使用说明书:[3]

紫光DCAP-3014同步电动机监控保护装置使用说明书:[3]

紫光DCAP-3014同步电动机监控保护装置使用说明书:[3]

紫光DCAP-3014同步电动机监控保护装置使用说明书:[3]

紫光DCAP-3014同步电动机监控保护装置使用说明书:[3]

紫光DCAP-3014同步电动机监控保护装置使用说明书:[3]

© 2026 小知经验
信息来自网络 所有数据仅供参考
有疑问请联系站长 site.kefu@gmail.com