返回
小知经验
网站首页
美食营养
游戏数码
手工爱好
生活家居
健康养生
运动户外
职场理财
情感交际
母婴教育
时尚美容
搜索
联想电脑L2021型使用说明书:[2]
时间:2024-10-20 20:00:43
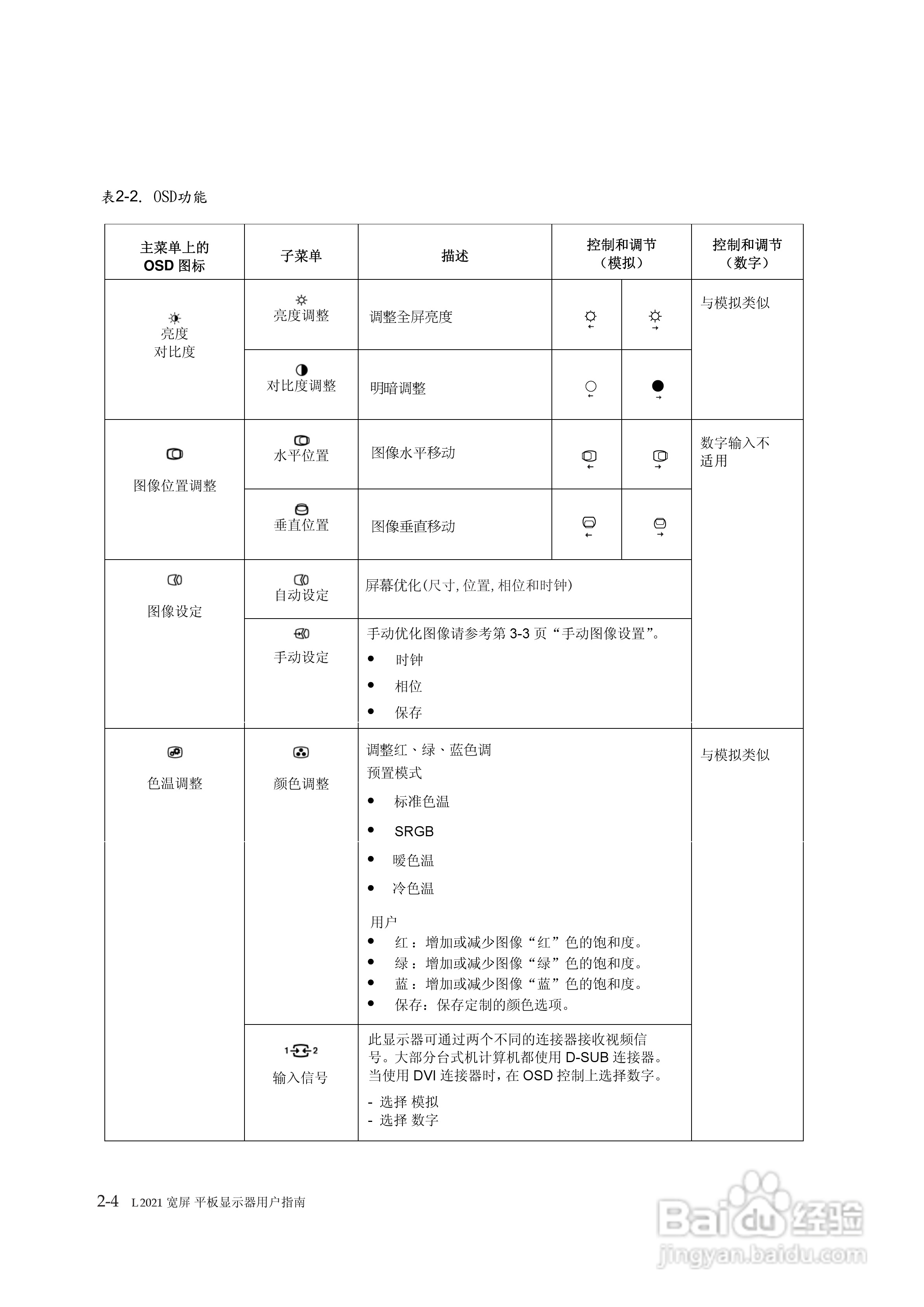
本篇为《联想电脑L2021型使用说明书》,主要介绍该产品的使用方法以及常见故障解决方案。
ME600F清零软件 使用教程
明基E1240数码相机使用说明书:[4]
路由器设置方法:[3]N11_W150M高级设置
IntelliJ IDEA怎么开启智能钥匙端
新买的DELL台式电脑U口不好用的解决方法!
为你推荐:
干咳嗽是什么原因
如何管理公司
做梦梦到蛇是什么意思
为了胜利向我开炮是什么电影
我要这样生活
生活日记网
三星note5怎么样
电脑如何进入安全模式
特别的近义词是什么
如何进入路由器设置界面
© 2025 小知经验
信息来自网络 所有数据仅供参考
有疑问请联系站长 site.kefu@gmail.com