返回
小知经验
网站首页
美食营养
游戏数码
手工爱好
生活家居
健康养生
运动户外
职场理财
情感交际
母婴教育
生活知识
生活百科
知识问答
更多知识
搜索
DS门禁控制器安装手册:[2]
时间:2026-04-22 01:47:31
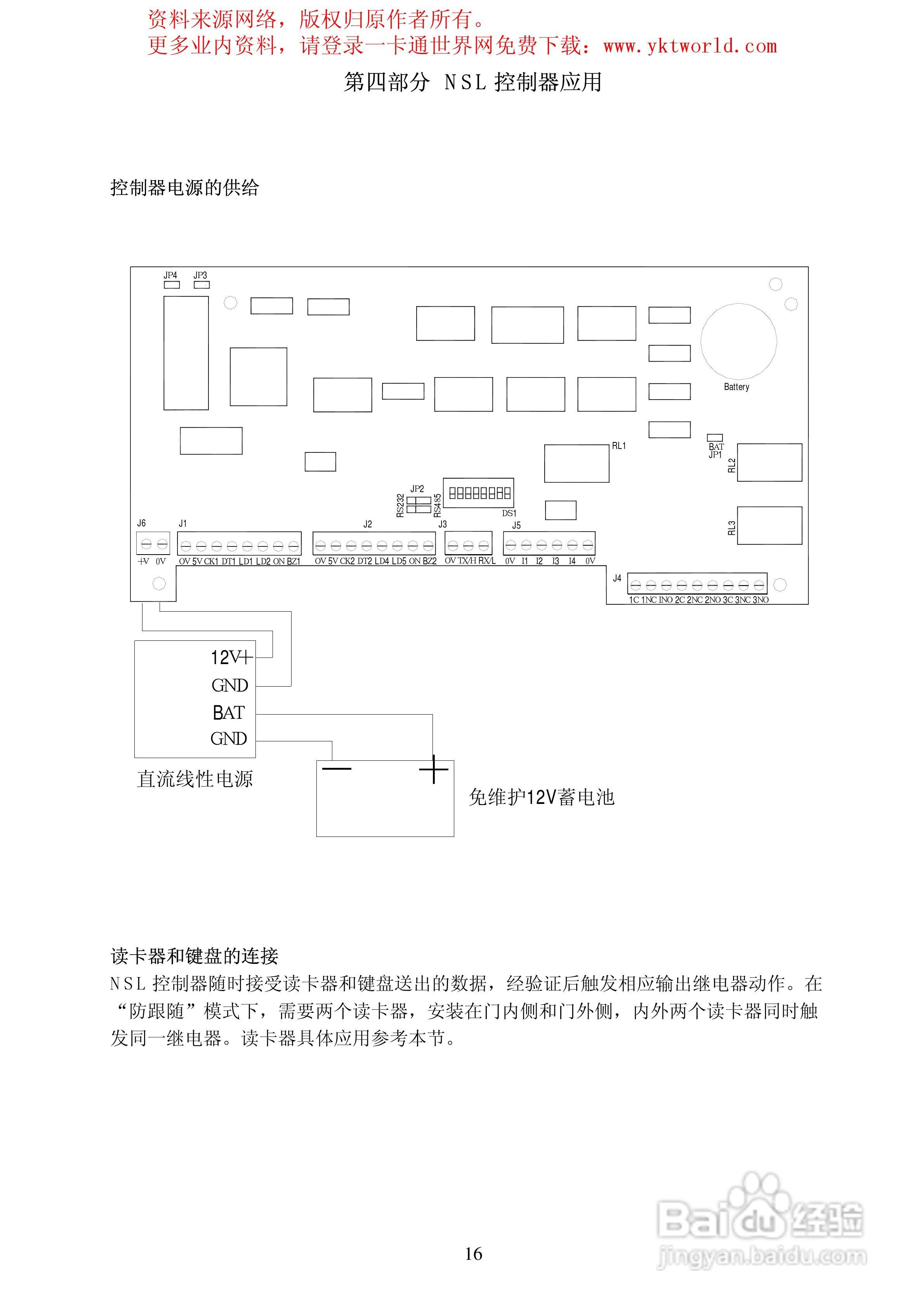
本篇为《DS门禁控制器安装手册》,主要介绍该产品的使用方法以及常见故障解决方案。
(共篇)
上一篇:
|
下一篇:
DS门禁控制器安装手册:[1]
DS门禁控制器安装手册:[3]
DDS门禁控制器安装手册:[3]
实开瑞德SI-202双门门禁控制器使用手册:[1]
百事达BSD-1000联网型门禁控制器用户手册:[2]
为你推荐:
逝者如斯夫不舍昼夜的意思
狐狸眼是什么样的
关于新年的祝福语
木梳什么材质的好
侃侃而谈是什么意思
千人斩是什么意思
cheese是什么意思
天喜丸什么时候吃
什么五笔输入法最好用
wolf是什么意思
© 2026 小知经验
信息来自网络 所有数据仅供参考
有疑问请联系站长 site.kefu@gmail.com