返回
小知经验
网站首页
美食营养
游戏数码
手工爱好
生活家居
健康养生
运动户外
职场理财
情感交际
母婴教育
生活知识
生活百科
知识问答
更多知识
搜索
NEC NP-M300X+投影机使用说明书:[16]
时间:2026-02-18 13:48:19
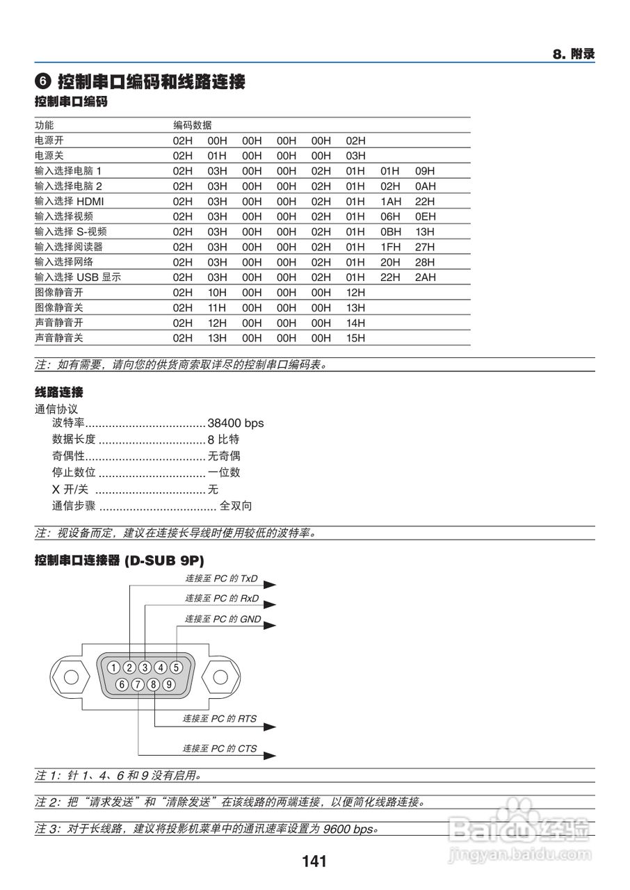
本篇为《NEC NP-M300X+投影机使用说明书》,主要介绍该产品的使用方法以及常见故障解决方案。
(共篇)
上一篇:
NEC NP-M300X+投影机使用说明书:[9]
NEC NP-M300X+投影机使用说明书:[7]
使用说明书wf2651使用指南
使用说明书封面怎么做
NEC NP-M350XC投影机使用说明书:[16]
为你推荐:
美女131高清图片大全 app
电话号码大全
营销策略怎么写
苏州有什么好吃的
360怎么重装系统
齐刘海怎么剪
308二四六玄机资料大全
文件夹怎么加密码
gta5秘籍大全
炖猪蹄的家常做法
© 2026 小知经验
信息来自网络 所有数据仅供参考
有疑问请联系站长 site.kefu@gmail.com